中文
中文
/
English
首页
Home
关于我们
Nav
产品服务
Nav
应用方案
Nav
技术支持
Nav
新闻动态
Nav
联系我们
Nav
企业简介
组织架构
企业文化
荣誉资质
公司环境
合作伙伴
液压元件
电液系统
测试系统
代理产品
非标定制
工程机械
农业机械
海工装配
智能制造
技术服务
售后服务
公司新闻
行业资讯
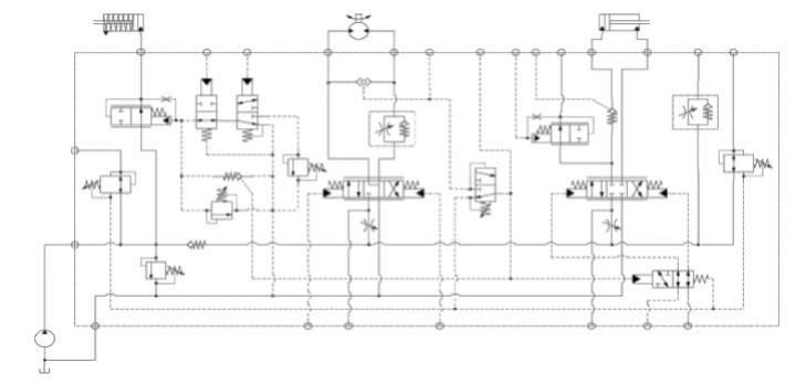
凿岩机应用方案
发表时间:2024-12-30 20:49
上一篇
扫路机应用方案
下一篇
挖机应用方案
文章分类:
工程机械
分享到:
关于我们
产品服务
应用方案
技术支持
新闻动态
联系我们
企业简介
组织架构
企业文化
荣誉资质
公司环境
合作伙伴
液压元件
电液系统
测试系统
代理产品
非标定制
工程机械
农业机械
海工装配
智能制造
技术服务
售后服务
公司新闻
行业资讯
联系方式
在线留言
公司地址
地址:湖南省长沙市经济技术开发区
电话:0731-88288922 88288933
邮箱:sky@skyhydraulics.com